Preloader Close
ATTENZIONE! IL PROSSIMO INVENTOR SHOW SI TERRA' IN LUOGO E DATA ANCORA DA DEFINIRE. PER ULTERIORI INFORMAZIONI CONTATTATE L'INCARICATO RINO SEBASTIANI Tel. 0587 734105 - E-MAIL: info@studiocelsus.com
SICUREZZA

L'antifurto a ultrasuoni

L'antifurto a ultrasuoni

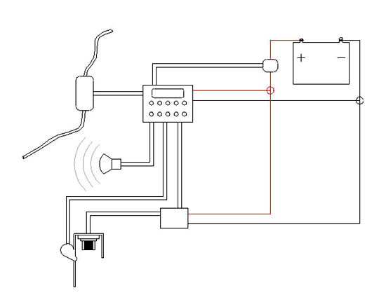
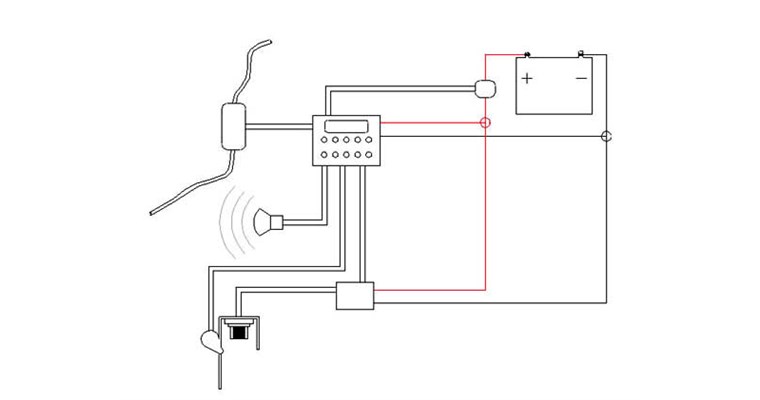
Proteggere i propri beni, soprattutto le auto, da malintenzionati e da ladri è sempre stata la preoccupazione di tutti noi. A questo scopo hanno lavorato e lavorano migliaia di tecnici, creativi, inventori, che col passare del tempo sono riusciti a migliorare costantemente lo standard di affidabilità e sicurezza delle apparecchiature antifurto. Con la straordinaria accelerazione che ha avuto poi l’odierna tecnologia, progettare e successivamente costruire oggetti che fino a poco tempo fa erano solo idee irrealizzabili è diventato relativamente semplice. Questo è il caso del sofisticato antifurto per autoveicoli ideato e brevettato dal Sig. Missorini Roberto, che come caratteristica principale ha un piccolo emettitore ad ultrasuoni collocato sotto la scocca del mezzo, posto all’interno di un contenitore stagno e collegato ad un’apparecchiatura elettronica regolarmente in commercio che se in uso, misura ad intervalli regolari la distanza dal suolo con lo scarto di un solo centimetro. Nel caso in cui questo particolare sistema, dovesse rilevare una distanza diversa da quella fissata al momento della sua attivazione, azionerebbe immediatamente, mediante un piccolo computer di bordo posto all’interno dell’abitacolo, uno o più dispositivi idonei come sirene, elettrovalvole per il blocco dell’alimentazione del carburante, relè elettromeccanici per l’interruzione dell’energia elettrica a basso voltaggio o altri sistemi idonei, impedendo in questo modo qualsiasi tentativo di furto da parte di malintenzionati. Attualmente, com’è noto a tutti, esistono antifurto di vario tipo per la protezione degli autoveicoli, da quelli meccanici a quelli elettronici, purtroppo però molti di loro risultano vulnerabili agli attacchi di ladri esperti che con opportune manovre riescono a disattivarli e successivamente rubare, in tutta calma, l’autoveicolo prescelto. I vantaggi che si ottengono utilizzando questo sofisticato accessorio consistono essenzialmente nell’impossibilità di qualsiasi malintenzionato di poter "forzare" un autoveicolo dotato di questo speciale antifurto perché appena spostata l’auto l’emettitore ad ultrasuoni, e il relativo dispositivo rilevatore a esso collegato, segnalerà immediatamente al piccolo computer di bordo la diversa distanza tra il fondo della scocca dell’autoveicolo e la superficie del suolo attivando immediatamente le relative difese. Questo speciale antifurto risulta altresì molto economico da produrre ed estremamente semplice nel suo utilizzo tanto da essere, secondo molti tecnici del ramo, uno dei progetti più azzeccati del settore. Se siete quindi interessati a questo geniale trovato e desiderate ricevere informazioni più dettagliate, contattateci ai nostri recapiti telefonici indicati a fine pagina oppure scriveteci utilizzando l’apposito MODULO ELETTRONICO. L’inventore, sta cercando di approntare degli efficaci prototipi regolarmente funzionanti da mostrare ad eventuali ditte acquirenti che potranno così testare le eccezionali potenzialità di questo straordinario e avveniristico dispositivo. Ricordiamo ai navigatori, che tutti i prototipi pubblicati in questo sito sono brevettati. Qualsiasi plagio parziale o totale degli oggetti riprodotti nelle foto o nei disegni, verrà perseguito a norma di legge sia in Italia che in tutti gli stati esteri. Il testo è invece tutelato dal copyright che ne vieta la totale o parziale riproduzione.

  • Share This Post

 

 

Per offrirti il miglior servizio possibile Europa Creativa utilizza cookies. Continuando la navigazione nel sito autorizzi l’uso dei cookies.  -  normativa su privacy e Cookie  -  Autorizzo